Оборудование для производства сигма-профилей Σ
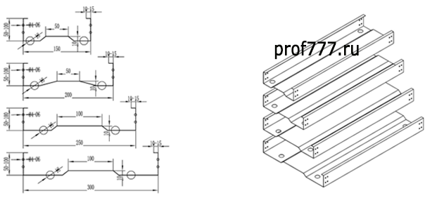
Чертеж:

Готовые продукции:

Фото оборудования:

Основные технические характеристики:
Процесс технологии производства: подача металла --- правка металла---пробивка ---- профилегиб ---- вырезание ---- готовый профилей
Марка стали Σ профиля: оцинковка или черная сталь
Толщина Σ профиля, мм 1,5мм-3,0мм
Высота Σ профиля, мм: 150-300
Ширина Σ, мм: 50-100
Максимальная длина Σ профиля, мм: любая
Скорость производства:10 метров за минуту
Ток питания:380 V 50/60 HZ
Состав линии:
Разматыватель
Устройство для правки
Устройство для пробивания
Стан прокатный
Ножницы профильные
Система автоматического управления (САУ) Delta
Приемный стол
Маркиратор
Прокатный стан:
Состоит из рамы, элементов трансмиссии и вальцов холодной штамповки. Рама сварена из стали 350H.
Сталь роликов: отделка и термообработка подшипниковой стали Cr15 , полировка поверхности после твердого хромирования
Сталь валов: сталь 45# закалка и отпуск. 14 клетей Ф80мм сплошные
Режим передачи: 2-дюймовая цепь. Главный двигатель: 18.5кВт
Система автоматического управления (САУ) Delta
Маркиратор

Высота печатного шрифта: 2-12.7мм.
Содержание печати: дата, QR-код, штрих-код, логотип, количество и более 20 языков. (русский язык, английский).
Срок изгтовления: 50 дней
|